高烈度大跨径桥梁
在高烈度地区,地震对桥梁的破坏程度更大,特别对于大跨度预应力混凝土连续梁,由于梁体自重大,地震作用效应更大,当发生地震时,地震力极易突破支座、垫石等构件水平承载能力,若不加以控制,可能导致严重的灾难性后果。
方案概况
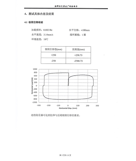
采用高承载大转角阻尼器,高承载阻尼器具备足够的阻尼耗能能力,能有效的减小地震作用效应,减小地震力;同时由于预应力混凝土连续梁一般不设置侧向支座,故阻尼器需要提供可能出现的各个方向的地震力,此时需要阻尼器具备更大的转角。解决了桥梁任意方向的地震作用效应,减小了地震力,保护了支座、垫石等相关结构构件。核心优势在于具有良好的减震功能,且能满足任意方向的地震作用。


